La BR 03.10 présente la transformation d’une locomotive analogique Märklin à l’aide de notre propre adaptateur pour PluX22 et du module locomotive CTC-M3.
Remarque : Une vidéo YouTube de cette transformation est également disponible.
Le châssis de la locomotive s’ouvre en dévissant la vis située au centre du haut de la chaudière. Le tender n’a aucune fonction, c’est-à-dire qu’il n’y a pas non plus de feu arrière.

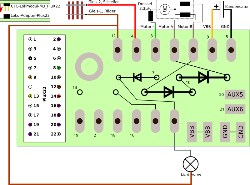
Pour cette transformation, nous utilisons la “Adapterplatine_PluX22” et le “Umbausatz-Analog”. Comme module locomotive, nous employons le CTC-Lokmodul-M3 avec connecteur PluX22.
Le schéma de câblage est le suivant :

Du kit de transformation analogique, nous avons besoin des deux diodes noires pour la bobine de champ ainsi que de l’une des deux diodes bleues pour le feu avant. Elles sont enfichées sur la platine adaptatrice puis soudées. Il faut absolument faire attention à la position de l’anneau de marquage (voir image).
Sur le côté du moteur qui n’est pas connecté à la bobine de champ, nous installons la self.
Ensuite, nous soudons encore le câble du feu avant à la platine adaptatrice.
Enfin, le condensateur tampon est soudé (plus orange, moins noir).

Les câbles sont :
- Rail central rouge
- Bobine de champ gauche/droite gris
- Self sur le moteur vert
- Condensateur orange (pôle plus) et noir (pôle moins)
Le récepteur IR est placé tout à l’avant du châssis de la locomotive. Le trou dans le châssis est suffisamment grand, c’est-à-dire que nous pouvons souder le récepteur IR au câble avant de le faire passer.

Maintenant, le module locomotive CTC-PluX22 peut être enfiché sur l’adaptateur, puis le récepteur IR peut être enfiché sur le module locomotive :

Avant de réassembler la locomotive, nous la plaçons sur un banc d’essai à rouleaux. Là, nous configurons le module locomotive et testons si tout fonctionne.
Configuration des feux
Contrairement au PluX22 standard, c’est le pôle positif qui est commuté pour les feux. Par conséquent, nous devons maintenant supprimer la configuration des feux (Light-conn) dans la locomotive et ajouter à la place “Fahrlicht an 2x HalfBridge high (1 lampe par circuit)” depuis le fichier universell-loks.xml, puis effectuer le branchement.
Pour plus de détails, consultez la section “Configuration des feux” dans le guide de transformation de la BR53.


